直播课堂
HOME
直播课堂
正文内容
如何把plc编程w 西门子PLC通讯控制S120变频器,PLC程序加变频参数,你也可以学会!
发布时间 : 2026-01-21
作者 : 小编
访问数量 : 23
扫码分享至微信

西门子PLC通讯控制S120变频器,PLC程序加变频参数,你也可以学会!

今天我们来讲解一下西门子PLC使用通讯控制S120变频器

通过DP总线实现S7-300与SINAMICS S120通讯

1.1 DP总线通讯功能

S7-300与SINAMICS S120之间DP通讯借助于系统功能块SFC14/SFC15进行周期性数据通讯。周期性数据交换指的是数据的实时交换,如控制字和设定值。

1.2 DP地址设定

驱动侧,S120上通过拨码开关来设置DP地址,设定范围为1-126.

当所有拨码拨至ON或者OFF状态时,通过P918参数设置DP地址。

1.3 STEP7硬件配置

在STEP7中新建项目,点击Insert-Station-2. Simatic 300 Station

打开硬件组态,新建DP NETWORK,在CATALOG中选择相应S120产品,如SINAMICS S120 CU320,将其加入DP总线,DP地址设置应与驱动侧设置地址一致。

选择相应的S120Firmware版本,如V2.5

此时会要求选择Message frame,点击选中Object1,然后点击Delete slot,

这时Message frame selection为None。点击OK。

保存编译硬件组态,将其下载至PLC中。

注:此时仅将PLC硬件配置完成,S7-300与S120之间通讯尚未建立,CPU会BF灯亮,SF等闪烁,S120侧LED DP灯不亮。

1.4 S120配置

打开STEP7,此时会出现SINAMICS S120 CU320,点击Open Object打开S120项目。

打开S120项目后,选择在线Connect to target system

若是新的CF卡可选择自动配置Automatic Configuration,通过DRIVE-CLIQ口将S120硬件配置装载至PG电脑。

若是旧CF已有配置,可选择工厂复位,将参数复位到出厂状态。

点击Start automatic configuration按钮,开始自动配置

提示选择S120驱动类型,选择SERVO伺服方式。

配置完毕出现下图画面,点击close

此时需要离线配置,点击Disconnect from target system

配置驱动SERVO_02,点击Confiure DDS

出现S120驱动配置画面,将前三项都打勾,激活基本定位功能。

配置MotorModule,由于之前已有Drive-CLIQ将配置读上来,直接Continue

出现提示,将P0864 Infeed in operation设为1

配置电机,直接由Connection X1通过DriveCLIQ读出电机信息

选择电机是否有抱闸刹车

选择编码器类型

已有DriveCLIQ读出

在Mechanics画面中

设置传动比,Load revolutions 和Motor revolutions

设置S120电机一圈所对应的长度单位LU。

LU per load revolutions(position setpoint/actual)画面中将值设为了10000,即电机一圈代表走了10000个LU

注:LU per load revolutions(position setpoint/actual)设置的值与编码器精度有关,不能大于LU per load revolutions(Encoder revolutions)的值

Active modulo correction

激活模态,对于电机设定的长度和实际长度从360000LU开始回到0,循环执行。即0-360000再回到0.

选择通讯报文,对于基本定位的报文选择SIEMENS telegram110,PZD-12/7

完成配置。

点击SINAMICS_S120_CU320下Configuration

可以看到会有红色惊叹号,且地址为问号,点击Transfer to HW Config

将配置传送到硬件组态中。点击ACTIVE按钮并将其激活。保存编译。

再返回到SINAMICS_S120_CU320下Configuration画面,可以看到

红色惊叹号变为蓝色的勾,地址也已经分配为256开始的地址。

保存编译整个项目。连线。下载整个项目。

1.5 S7-300中通讯编程

利用SFC14和SFC15读写S120,达到通讯控制S120的目的。

SFC14读,占用7个PZD

在LADDR填写S120硬件地址,256对应16进制即W#16#100

RECORD中填写设定DB地址 P#DB2.DBX0.0 BYTE 14,即从DB2.DBX0.0开始的14个BYTE的地址分配为从S120里读出的PZD值

RET_VAL 返回值 显示故障信息

SFC15写,占用12个PZD

在LADDR填写S120硬件地址,256对应16进制即W#16#100

RECORD中填写设定DB地址 P#DB1.DBX0.0 BYTE 20,即从DB1.DBX0.0开始的20个BYTE的地址分配为向S120里写的PZD值

RET_VAL 返回值 显示故障信息

定义相对应的DB块 DB1 DB2

1.6 基本定位

1.6.1 JOG点动

S120中基本定位功能的点动有两种方式

速度方式:点动按钮按下,轴以设定的速度运行直至按钮释放

位置方式:点动按钮按下并保持,轴以设定的速度运行至目标位置后自动停止

在通过通讯控制S120之前需注意,需将PLC与S120的通讯控制位置1

即将P854 Master ctrl by PLC 参数对应r2090 bit 10,即DB1.DBX0.2

执行点动功能,需先使能S120 ON/OFF1(P840)

打开Drives下Servo_02下Control logic可以看到相关控制字及状态字

可以看到,由于之前选择了报文结构110,已经自动将控制字配置好。

P840 ON/OFF1相对应的是r2090 bit0,即PZD1的bit0

我们已经定义好通过通讯写S120PZD的地址,PZD1 Bit0对应的DB地址即DB1.DBX1.0。

还有P844 bit1 OFF2信号 即r2090 bit1 对应DB1.DBX1.1

P845 bit1 OFF3信号 即r2090 bit2 对应DB1.DBX1.2

P852 Enable operation 即r2090 bit3 对应DB1.DBX1.3

将这些信号都置1.S120使能。

点击Servo_02-Technology-Basic Psitioner-JOG,进入JOG画面

设置点动命令源

Jog1 signals source 即r2090 bit 8 DB1.DBX0.0

Jog2 signals source 即r2090 bit 9 DB1.DBX0.1

点动方式选择 0速度 1位置

Jogging incremental 即r2092 bit5 DB1.DBX5.4

在Analog Signal画面中

Velocity override 即r2050[4] PZD5 DB1.DBW8

此为点动速度的倍率,通过修改其值来改变点动的速度,16进制4000H,10进制16384对应100%

在Configure jog setpoints画面中设置JOG1和JOG2的速度和位置

1.6.2 回零/寻参

点击Servo_02-Technology-Basic Psitioner-Homing,进入Homing画面

Homing又分active homing主动回零和passive homing(on the fly)被动回零.

Active homing

如下图可以看到,主动回零分为三种形式

Homing output cam and encoder zero mark使用接近开关加编码器零位

Encoder zero mark 仅编码器零位

External zero mark 仅外部零标志

最常用的就是接近开关加编码器零位的方式

在homing/configuration

Referencing start r2090 bit11即DB1.DBX0.3 为寻零开始信号

Search for reference,reference cam r2092 bit2 即DB1.DBX5.2即外部接近开关

动作过程

1, 将S120使能,P840 DB1.DBX1.0置1

2, 寻零开始信号置reference startDB1.DBX0.3置1 ,电机开始运行

3, 将外部接近开关信号对应reference cam ,当DB1.DBX5.2为1时,电机减速,搜寻编码器零脉冲,遇到后停止。

寻零结束

当编码器为绝对值编码器时,会看到以下画面

在Home position coordinate中设置坐标值,点击Perform absolute value calibration做编码器校准即可

1.7 基本定位_程序步(Traversing Blocks)

通过使用Traversing Blocks"程序步"模式可自动执行一个完整的定位程序,也可实现单步控制;但只有当前程序步执行完后下一个程序步才有效。

在S120中提供了最多64个程序步供使用。

1.7.1 程序步设置

点击Servo_02-Technology-Basic Positioner-Traversing Blocks,进入画面

进入程序块设置画面,对于程序步有特定的数据结构,如下图

P2616 (No.) 每个程序步都要有一个任务号,运行时依此任务号顺序执行(-1表示无效的任务)

P2621 (Job) 表示该程序步的任务。可选择:Positioning(位置方式)、Endless_Pos/Endless_Neg(正、反向速度方式)、Waiting(等待指定的时间)Goto(跳转到指定的程序步)Set_0/Reset_0(置位/复位指定的开关量输出点)

P2622(Parameter)依赖于不同的Job,对应不同的Job有不同的意思

P2023.8/9(Mode)定义定位方式,仅当任务(Job)为位置方式(Position)时有效

P2617/P2618/P2619/P2620(Position,Velocity,Acceleration,Deceleration)指定运动的位置,速度,加减速

P2623.4/5/6 (Advance)制定本任务结束方式。

END:本任务结束不连续执行下一任务,Continue_With_Stop:本任务结束准确定位,电机停止后重新启动开始下一任务。Continue_Flying:本任务结束连续执行下一任务。

1.7.2 程序步示例 如上图

第1步,以速度600,加减速100%,走绝对定位位置1000,本任务结束连续执行下一任务

第2步,以速度600,加减速100%,走相对定位-500,本任务结束准确定位后开始下一任务

第3步,Goto 1,回到第1步,循环执行。

1.7.3 程序步执行

1.选择不拒绝任务reject traversing task和没有停止命令

P2641=r2090 bit4 即DB1.DBX1.4

P2640=r2090 bit5 即DB1.DBX1.5 都置1

2.选择 程序步选择位Traversing block selection bit

P2625=r2091 bit0 即DB1.DBX3.0 置1

3.使能S120

P840=r2090 bit0 即DB1.DBX1.0 置1

4.激活程序步Active traversing task(上升沿信号)

P2631=r2090 bit6 即DB1.DBX1.6 置1

之后即按照之前程序步中设置的运行。

1.8 Direct setponit specification/MDI(直接设定点输入方式/手动数据设定方式)

1.8.1 MDI有两种不同模式

位置(position)模式P2653=0

手动定位或称速度模式(setting up)P2653=1这两种模式可在线切换

速度模式是指轴按照设定的速度及加减速运行,不考虑轴的实际位置。

位置模式是指轴按照设定的位置、速度、加减速运行;

位置模式又可分为绝对位置(P2648=1)和相对位置(P2648=0)两种方式

1.8.2 MDI 执行步骤

1.使能S120

P840=r2090 bit0 即DB1.DBX1.0 置1

2. direct setpoint input/MDI selection 选择MDI模式

P2647=r2091 bit 15 即DB1.DBX2.7 置1

3.选择不拒绝任务reject traversing task和没有停止命令

P2641=r2090 bit4 即DB1.DBX1.4

P2640=r2090 bit5 即DB1.DBX1.5 都置1

4.设置MDI位置速度加减速参数

4.1 Velocity override 速度倍率

P2646=r2050[4],即DB1.DBW8 W#16#4000对应100%

4.2 Direct setpoint input/MDI position MDI位置

P2642=r2060[5],即DB1.DBD10

4.3 Direct setpoint input/MDI velocity MDI速度

P2643=r2060[7],即DB1.DBD14

4.4 Direct setpoint input/MDI acceleration MDI加速度

P2644=r2050[9],即DB1.DBW18 W#16#4000对应100%

4.5 Direct setpoint input/MDI acceleration MDI加速度

P2644=r2050[9],即DB1.DBW18 W#16#4000对应100%

4.6 Direct setpoint input/MDI deceleration MDI减速度

P2645=r2050[10],即DB1.DBW20 W#16#4000对应100%

4.7 Direct setpoint input/MDI mode MDI位置模式(相对/绝对)

P2654=r2050[11],即DB1.DBW22

Signal via CI: p2654 = xx0x hex -> absolute 绝对位置 Signal via CI: p2654 = xx1x hex -> relative 相对位置 Signal via CI: p2654 = xx2x hex -> abs_pos (only for modulo correction)

绝对位置,正向(仅对模态) Signal via CI: p2654 = xx3x hex -> abs_neg (only for modulo correction)

绝对位置,反向(仅对模态)

5. Setpoint acceptance edge MDI设置接收上升沿信号

P2650=r2090 bit6,即DB1.DBX1.6

置1后即按照之前设定的速度位置开始MDI运行。

讲真,这么全的PLC输入输出各种回路接线,第一次看见

一、输入回路接线

输入电路是PLC接收信号的端口(对模拟量来说一般为0-40MA直流电流或0-10V直流电压信号),输入接线是指外部输入器件(任何无源的触点和集电极开路的NPN三极管)接通输入回路闭合,同时输入指示的发光二极管亮。常用外部输入器件有按钮,接近开关,转换开关,拨码器,各种感应器等,是对系统发出各种控制信号的主令电器。

(一)PLC输入模块与主令电器电器类设备的连接

图中松下PLC为直流汇点式输入,即所以输入点共用一个公共端COM,同时COM端内带有DC24V电源,在编写程序时注意外部设备使用的是常闭还是常开触点

输入端的电气原理图中停止按钮SB0用常闭触点,串在控制线中,用于停机控制。启动按钮SB1用常开触点。在设计的两个梯形图完成的控制功能相同,但停机信号X0使用的触点类型不同,那么连接在端点的外部停机按钮触点类型也就不同

I/O分配SB0-X0,SB1-X1,输出K0-Y0。当外部使用长闭触点,不操作该按钮,输出Y0正常接通,在PLC控制系统中,外部开关无论是启动还是停止一般都选用常开型。

(二)接近开关与PLC输入模块的连接

在PLC控制系统设计中接线的工作比重叫小,但它是编程设计的基础。要保证接线工作正确性,需PLC的输入输出电路有一个清楚的了解。

1.PLC直流输入电路:分有源型(共阳极)输入电路,漏型(共阴极)输入电路。所以漏型输入电路PLC的COM端是外接直流电源的正极,如西门子S7-400PLC直流输入模块的COM端必须接外部电源的正极。所以西门子PLC输入信号为低压信号,如果外部信号为高压信号应该通过中间继电器转换。

2.PLC交流输入电路电压一般为AC120V或AC230V,经过电阻的限流和电容的隔离在经过整流变成直流三个环节,所以输入信号延迟时间比直流电路长,但是输入端是高电压,输入信号的可靠信高,一般用于环境恶劣,对响应要求不高的场合。

(三)开关量信号与PLC输入模块的连接

对于不同的PLC输入电路应正确选择传感器(NPN或PNP)的输入方式,NPN型传感器动作时,OUT端为0V,(NPN型输出端OUT应和PLC的输入端漏型相连)输出低电平信号。PNP型传感器动作时,OUT端为+V,输出高电平信号。

(四)PLC输入回路接线的优化

1、减少输入点数,分组输入

如图上系统分自动和手动两种工作方式,Q1-Q8为手动方式用到的 输入信号,S1-S8为自动方式用到的输入信号。S1和Q1共用输入点X0,PLC运行时只会用到其中一组信号,所以可以共用PLC的输入点。(图中二极管是用来防止寄生回路,避免错误输入信号的产生。

2、输入设备的多功能化:在PLC系统中可以借助PLC逻辑功能来实现一个设备在不同条件下产生不同作用的信号。

3、不同形式的直流输入信号与PLC连接

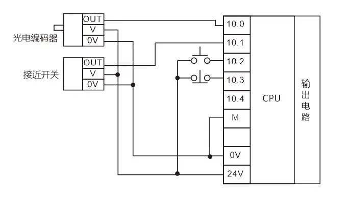
直流有源输入输入信号一般都是24V,这类信号与其他无源开关量信号混合接入PLC输入点时电压的0V点一定要接。上图输入点I0.0,I0.1连接光电编码器,接近开关的输出OUT信号,它们的驱动电源由PLC自身的24V电压提供

不同电压直流信号与PLC输入模块输入点的连接,注意信号电位差的参考点必须相同。即它们的0V信号必须连接在一起。

4、对与用长线引入PLC的开关量信号可以用小行继电器来转接输入信号,避免外部的强电感应的干扰。

二、输出回路接线

由于PLC输出元件被封装在线路板上并连接至输出端子板上,若将输出元件短路将烧毁印制电路板,所以应用熔断器保护输出元件。开关量输出模块有继电器,晶体管,晶闸管输出。输出端接线分公共输出和独立输出。直流输出的续流管保护,交流输出阻容吸收电路,晶体管,晶闸管输出的旁路电阻保护,以及外部紧急停车电路。

(一)PLC输出有三种,这三种输出回路的配线应注意

1、继电器输出配线:通用于交直流电路,不同公共点可以带不同交直流电压负载。负载容量以负载性质区分,阻抗负载2A/1点,8A/4点COM ,感抗负载容量80VA,灯泡负载100W。可知继电器型输出的PLC可通过相对大的电流,但输出触点响应的时间相对较慢。

2、晶体管输出:通用于直流电路,电压范围DC5-30V,阻抗负载0.5A/1点,0.8A/4点COM ,感抗负载容量12W/DC24,灯泡负载1.5W/DC24。可知晶体管型输出的PLC输出触点响应时间快,但个通过的电流小。

3、晶闸管输出:适应高频动作,但只能带DC5-30V,负载最大电流电流为0.5A,灯泡负载30W。

4、在输出回路必须设置适当熔断器作为保护。DC直流感抗负载要并联二极管以延长触点寿命,二极管规格为耐压时负载电压5-10倍,电路大于负载电流。

5、氖灯或小电流负载需要并联浪涌吸收器。

6、马达正反转电路,除PLC内部程序要设计互锁,输出外部配线也必须互锁配线。

(二)COM 点的选择

因为PLC内部没有熔断器,需在COM点处加一个熔断器。当负载种类多且电流大可采用一个COM点带1-2个输出点的PLC产品,当负载数量多且种类少可采用一个COM点带4-8个输出点的PLC产品。

(三)PLC与感性设备的连接

当PLC输入输出端接有感性负载元件时,直流输出的续流管保护(直流电路两端并联续流二极管),交流输出阻容吸收电路。

对与大容量负载电路,须在继电器主触头两端连接RC阻容吸收电路

(四)PLC与七段LED显示器的连接

上图两只CD4513的数据输入端A-D共用PLC四个输出端Y0-Y3,A为最底D为最高,LE 为寄存输入端,当LE 为高电平时,输入数据将存在芯片内的寄存器中,并将其译码后显示出来。如PLC使用继电器输出模块时,与CD4513相连的输出各端在接一个下拉电阻,避免输出继电器断开的时候CD4513输入端悬空。

七段数码管有共阴极(公共极接地)和共阳极(公共极接+5V)两种,是电气仪表常用的数显器件。

(五)PLC控制系统输出回路接线的优化

1、减少输出点的措施

① 巨阵输出:要使某个设备(负载)接通工作,只要控制相对应的输出继电器接通即可,采用巨阵输出必须将同一时间段接通的负载安排在同一列。

②分组输出:PLC每个输出点可以控制两个不同时工作的负载,当两组负载不会同时工作事,可以通过外部转换开关SA进行切换。

③ 并联输出:两个通段完全相同的负载可并联后共用PLC的一个输出点。

④ 提高PLC输出可靠性措施:PLC输出模块的继电器触点容量一般为2A,如果输出点的负载功率太大,可以采用输出继电器带动一个中间继电器,在由中间继电器驱动负载。

相关问答

西门子PLC中,VW,IW,QW,MW,SMW,LW,AIW是什么意思?

VW,V寄存器字IW,输入字QW,输出字MW,M寄存器字SMW,系统寄存器字LW,临时寄存器字AIW,模拟量输入字VW,V寄存器字IW,输入字QW,输出字MW,M寄存器字SMW,...

FX3U程序行注解怎样写入?

1、在GXDeveloper或GXWorks2编程软件中点显示(V);2、点工程数据列表(P)AltO;3、屏幕左边显示《工程数据列表》;4、在《工程数据列表》上点参数,...1....

plc编程,实现电机正反转?

根据电机的功率选择断路器QF1,接触器KM1-KM2,热继电器KH的大小。保险丝FU1-FU4选择2A。380v/220v变压器选择20W之内就够了,DC24V电源选择20W。PLC选择最常用的...

三菱plc编程软件(GPP)怎么从插入方式转成写入方式?-ZOL问答

一般它会变成一个大写的W字来标识当前是写入状态。点击这个图标,程序就会进入修改并保存的状态了。记得保存你的工作在GPP三菱PLC编程软件中,通常在程序编辑...

西门子plc怎么使用movw?

在西门子PLC中,使用MOVW指令可以在两个16位寄存器之间传输数据。首先,需要指定源寄存器和目标寄存器的地址,并在MOVW指令后面加上这些地址。然后,PLC将源寄...

西门子PLC里的Inc-W什么意思?

1.Inc-W是指IncrementalWrite,即增量写入。2.在西门子PLC中,Inc-W是一种数据传输方式,它可以将指定的数据从源地址逐个增加地写入到目标地址中。这种方式可...

PLC中Z是什么意思?

在PLC中,Z通常表示零位或者零状态。这是因为在PLC编程中,常常需要判断某个信号或者状态是否为零,以便进行下一步的逻辑控制。Z的引入可以方便地表示一个二进制...

西门子plc300中的w#16#1e00,b#16#00中的w和b是什么意思?

BIT是位的意思位的状态只有0或者1但是你说的B是字节的意思一个字节=8位W是字的意思一个字=16位=2个字节DW是双字=32位BIT是位的意思位的状态只有0或...

W|N10能联接pLc吗?-ZOL问答

WIN10系统可以连接PLC的,大部分PLC都是串口链接,只要串口数据线连接好就可以。编写程序软件,需要相对应的支持WIN10系统。现在PLC的软件也与时俱进,基本上支持...

在西门子PLC中怎样查找PIW、IW在程序中什么位置使用?

1、可以通过交叉索引来看,比较一幕了然,特别是DI点,也可以在程序里面选择goto查找,直接输入PIW256或IW80之类的1、可以通过交叉索引来看,比较一幕了然,特别...

 拜月楼主  王者荣耀梦琪 
王经理: 180-0000-0000(微信同号)
10086@qq.com
北京海淀区西三旗街道国际大厦08A座
©2026  上海羊羽卓进出口贸易有限公司  版权所有.All Rights Reserved.  |  程序由Z-BlogPHP强力驱动
网站首页
电话咨询
微信号

QQ

在线咨询真诚为您提供专业解答服务

热线

188-0000-0000
专属服务热线

微信

二维码扫一扫微信交流
顶部