直播课堂
HOME
直播课堂
正文内容
PLC编程的电流反馈 「案例」手把手教你200SMART端子与模拟量控制变频器
发布时间 : 2026-01-02
作者 : 小编
访问数量 : 23
扫码分享至微信

「案例」手把手教你200SMART端子与模拟量控制变频器

在实际的工业控制应用中,使用PLC的模拟量功能,实现对电机运行速度的调节也较为常见。

今天给大家分享一个简单的案例:通过PLC的输出端子实现对变频器的运行命令控制,通过PLC的模拟量输出信号来实现对变频器运行频率的调节,这里选择西门子S7-200SMART系列的PLC和台达VFD-M系列的变频。

下面我们从接线、变频器参数设置、PLC控制程序的设计等几个方面详细为大家介绍

一、 PLC和变频器的接线

01 下图是VFD-M变频器的配线说明:

(1) 首先是变频器的电源端子R、S、T分别表示380V交流电的L1、L2、L3

(2) U、V、W分别表示三相异步电动机的接线端子

(3) M0-M5多功能端子表示正反转及多段速的控制,在本例中我们仅使用M0、M1对电动机的正反转控制

(4) 模拟量输入部分中的AVI与GND连接表示输入信号为+10V;ACI和GND表示输入信号为4-20MA的电流信号。本例中我们使用的是电压信号输入控制电动机

(5) 模拟量输出部分AFM和GND端子表示输出信号为0-10V直流电压,可接入模拟量模块的输入端用于检测运行频率的反馈

需要注意的是:实际变频器的电源端和接电机的端子均在一起,接线过程中务必一定要看清楚

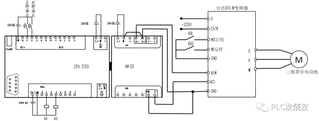
02 PLC和模拟量模块及变频器的配线说明

(1)200smart系列PLC分继电器型和晶体管型两类

(2)在下面的接线图中,由于台达VFM_D系列变频器中的多功能端子为无源点,所以我们采用中间继电器转接,利用中间继电器的辅助常开点进行控制

(3)本例需要使用模拟量做输出反馈,所以选用的模拟量混合模块EMAM03(2AI/1AQ)

(4)在模拟量模块组态时输入信号为两路为同一组信号类型

下图是PLC和模拟量模块及变频器的接线

如无法接入380V交流电时可接入220交流电

二、变频器的参数设置

首先我们先对变频器恢复出厂设置,再根据控制方式找到对应的参数进行设置,设置完成后对变频器可进行断电再送电操作。

下面是针对本例子端子与模拟量控制需要设定的相关参数

1、 先把变频恢复出厂设置,P76参数设为09

2、 P00 参数设为:01

3、 P01 设为:02

4、 P24 设为:00

5、 P36 频率上限设为50HZ

6、 P37 频率下限设为0 HZ

7、 P38 设为00

8、 P43模拟输出根据需要设定对应的编号,本例默认设为00

9、 P64开机画面显示 可根据实际需要设定对应的编号

下面是详细的参数概览表

三、程序设计

01 系统块的组态

(1) 打开STEP 7-MicroWIN SMART编程软件,新建项目并打开系统块添加CPU及模拟量模块

(2)对系统块的启动项设置为RUN模式;主要是因为默认为STOP模式,防止重新送电后CPU不能自动运行

(3)对模拟量模块进行组态 通道类型根据设置的信号类型选择,本例涉及到的模拟量输入输出均为电压信号,所以组态为电压信号.

组态如下图所示:

02 程序的编写

(1)在编写程序之前,因为涉及到模拟量的库文件,首先需要下载并添加模拟量库文件;

(2) 本例子使用的是库文件的形式编写的;库指令内部是根据下图的公式编写后生成的子程序进行调用;也可以根据公式自行编写换算程序,换算公式及符号含义如下:

(3) 模拟量的库指令分别有模拟量输入和输出两条

(4)编写PLC控制程序

详细的参考程序如下:

↓免费学习资料

S7-1200 PLC 怎样使用带断线诊断的模拟量电流输出?

说明

通过 STEP 7 Basic 的断线功能,您可以检测到模拟量电流输出的断线事件。您可以使用诊断中断组织块 (OB82)评估断线事件。

1、S7-1200 PLC 中添加模拟量电流输出的信号模块并使能断线诊断

1.1S7-1200 PLC 添加信号模块

您可以在在 S7-1200 系统手册第二章“安装”找到如何安装信号模块或信号板的说明。

图. 01

2.2在设备组态中添加信号模块

浏览硬件目录。在硬件组态中拖拽并释放设备到 S7-1200 机架上。

图. 02

3.3配置模拟量输出通道,使能断线检测功能

在“项目树”中打开“设备组态”。在“设备视图”中选择模拟量信号模块。浏览模拟量信号模块的“属性”,“模拟量输出” > “通道 0”。选择“电流”作为模拟量输出类型。点击“使能断线诊断”确认按钮。

图.03

注意

替换值的范围是 [0...32511]。对于 20mA 的电流输出,对应的值是 27648。

2、使用“诊断中断”OB 评估断线事件

当模块检测到错误时调用“诊断中断” OB。

如果有诊断功能的模块使能了诊断中断,当检测到错误时,“诊断中断” OB 中断循环程序。

信号模块的诊断灯“DIAG”会闪烁,相关的通道将点亮。

2.1增加“诊断中断” 组织块 OB82

浏览项目树的“添加新块”条目。在“添加新块”窗口,点击“组织块 (OB)”按钮。选择“诊断中断”OB。点击“确认”按钮。

注意

在程序中只可以使用一个诊断中断 OB 。

图. 04

2.2读取“诊断中断”OB 启动信息

浏览指令窗格,选择“指令” > “传送”。拖拽传送指令到“诊断中断”OB 网络中。将“IOstate”标签移动到全局标签 (例如“DB1:w_IOstate”)。编写需要监控的其他标签,请参考图. 05 中的例子。

图. 05

2.3评估“诊断中断”OB 启动信息

“诊断中断”OB 有如下启动信息:

“IOstate” (WORD)

“IOstate”包含有诊断功能模块的 I/O 状态。

“laddr”(HW-ANY)

这是硬件标识:

硬件标识 (HW-ID) 鉴别模块或者模块功能单元(例如输出和高速计数)。 硬件标识由完整的数字组成并且由系统连同诊断报警一起报告,来定位故障模块或者功能单元。 (更多细节请参考图.7)

通过浏览“项目树”中的“PLC变量”,您可以确定功能单元的硬件标识 (HW-ID) 。选择“PLC变量”窗口的“常量”标签。表格列“值”中列举了所有已使用的硬件标识(图.06)。

“Channel”(UINT)

“Channel”包含使用于信号模块的输出通道的数量。

“multierror” (BOOL)

“multierror”位表示超过一个错误发生。

图. 06

STEP 7 Basic 在线诊断

当使用 STEP 7 Basic 在线访问 S7-1200 PLC ,可以使用诊断功能。

在线 S7-1200 PLC。PLC 的弯曲信号表示诊断错误。(图. 07,蓝色环)。浏览“项目树”的“在线和诊断”。浏览“在线访问”窗口的导航区域,进入“诊断缓冲区”。在“事件”表里选择断线事件。

在“事件”表下,将显示选定事件的详细内容。您可以找到 HW-ID,通道号,事件类型。

注意

“事件到来”表示事件的开始,在该例子中为断线。

“事件离开”表示事件的结束。

信号模块“DIAG”灯和相关通道的指示灯会闪烁。

图. 07

“IOstate” 标识

下面的表格显示“IOstate”标识可能的“ I/O ”状态。

相关问答

电气大神,电流互感器检测电流信号送入PLC,在PLC中如何计算一次电流波动10%?

不用计算,信号进入PLC中之后,PLC经过运算可以计算出实际电流,然后设计比较程序,将大于额定电流10%的反映出来就行。不用计算,信号进入PLC中之后,PLC经过运算...

用plc读软启动电流量程怎么设置?

PLC只能读模拟量,如果软启动自带就直接接PLC模拟量模块,如果没有就用互感器转。实际应用自己想想了。PLC只能读模拟量,如果软启动自带就直接接PLC模拟量模块...

plc显示启动电流高是咋回事?

...当合闸瞬间,转子因惯性还未转动起来,旋转磁场以最大的切割速度(同步转速)切割转子绕组,使转子绕组感应起可能达到的最高的电动势,因而,在转子导体中流过很...

西门子plc模拟量输入电流0-20ma,实际变送器为4-20ma(对应0-1.6Mpa)。程序怎么修改能把实际压力算出来?

程序中我觉得是对的。变送器4mA时,PIW288=5530,MW100=5530-5530=0;变送器20mA时,PIW288=27648,MW100=27648-5530=22118;量程转换的块我...

想通过压力变送器反馈的电流变化,来控制另外一个电路的通断,...

[最佳回答]所谓“一感受压力”实际还是要确定一个压力值,否则仅仅设备内的常压波动(受限空间内部气流)和变送器输出漂移就会使电路不断动作.如果这个阙值可以...

plc数字量反馈线怎么接?

PLC数字量反馈线的接法通常需要根据具体的输入模块和输出模块进行确定。一般来说,数字量输入模块的接线方式为将传感器或开关的输出端口连接到模块的接口上,然...

PLC可以看功率吗?

PLC可以通过电流和电压信号来计算电路中的实时功率,从而实现对功率的监测和显示。在PLC的控制程序中,可以编写相应的算法用于实时计算电路功率,并将计算结果反...

plc模拟量电流怎么测?

PLC模拟量电流输出端接一个假负载(250欧姆,0.25W或0.5W),使用万用表的直流电压测量,就可以算出输出电流值是多少了。PLC模拟量电流输出端接一个假负载(250欧...

plc怎么采集高压电流?

不管高压电流为多大的,高压电流互感器的二次一般为5A,然后串一只电流变送器,将0~5A的电流信号变为4~20mA信号,送入模拟量输入模块即可。不管高压电流为多大的...

PLC检测电机电流如何设定量程?

PLC检测电机电流的量程需要根据电机的额定电流进行设定。具体步骤如下:1.确定电机的额定电流以及最大电流值。通常可以在电机的铭牌或者技术参数表中查找到...

 tae个人资料  阿布达比 
王经理: 180-0000-0000(微信同号)
10086@qq.com
北京海淀区西三旗街道国际大厦08A座
©2026  上海羊羽卓进出口贸易有限公司  版权所有.All Rights Reserved.  |  程序由Z-BlogPHP强力驱动
网站首页
电话咨询
微信号

QQ

在线咨询真诚为您提供专业解答服务

热线

188-0000-0000
专属服务热线

微信

二维码扫一扫微信交流
顶部