下料锯床plc程序编程 中文编程运动控制:干货案例机床上下料实操课

小编 96 0

中文编程运动控制:干货案例机床上下料实操课

一、项目背景

桁架机械手的桁架包括若干龙门结构的支撑部,在支撑部上设有用于安装机械手的横梁。桁架式机械手一般为XYZ三自由度机械手,包括安装于横梁上的水平运动组件、垂直安装于水平运动组件上的竖直运动组件,垂直运动组件的底部连接有三爪夹持器,常用于机加工中的上下料。

如图所示,车床进行棒料加工,桁架机械手为车床上下料。一般而言,正向面对桁架机械手,左右为X轴,左负右正;前后为Y轴,前正后负;上下为Z轴,上正下负。有些设备XYZ轴和正负向有特殊定义,需根据实际情况考虑。

车床加工

核心工位

二、动作工艺流程

桁架机械手的工艺流程包括:

桁架上料——顶料挡板将工件从左侧料盘中推送到取放料位;

桁架取放料——机械手抓取待加工工件,将已完成加工工件放到右侧料盘中;

车床上下料——先将已完成加工工件取出,再将待加工工件放入;

1.桁架上料

将未加工工件通过气缸机构,推放到指定位置,方便机械夹爪取料。工艺流程:

a.判断“到料检测”是否有信号,如果有信号,则有工件在待夹取位,进入操作2;

b.如果“到料检测”没有信号,则顶料气缸先下降,等待一定时间,顶料气缸再上升,推到顶后,棒料沿滑台落到取料位;

c.b中操作完成后,等待一定时间,判断是否有“到料检测”信号;如果有该信号,则进入操作2;如果一定时间内没有该信号,输出报警信号(上料超时);

2.桁架取/放料

a.机械手运动到放料位,下料气缸松开,将加工完成的工件放入滑台中;

b.机械手松开上料气缸,运动到取料位,夹取棒料;

c.机械手抓取棒料,Z轴上升到等待位置;

d.控制旋转气缸输出,将下料夹爪与车床Z轴保持一致;

e.X轴到等待位置;

3.车床上/下料

等待车床加工完成,桁架Z轴下降到下料位,下料夹爪闭合,夹取工件;旋转气缸旋转,将待加工工件放入车床卡盘中,固定完成后,夹爪松开。

a.程序等待加工完成信号,有完成信号时,Z轴向下到达下料位,下料气缸闭合,下料夹紧信号导通;

b.等待机床松开信号;松开信号到位后,X轴横向移动将棒料取出,Z轴上升到达待机位置;

c.关闭旋转气缸,将上料夹爪与车床Z轴保持一致;

d.Z轴向下移动,到达下料位;X轴横向移动将棒料放入;输出“上料到位”信号;

e.等待机床夹紧信号;机床夹紧信号到位后,松开上料夹爪,Z轴向上到达等待位置;X轴横向移动达到放料X位;

4.循环运行1、2、3步骤,循环上下料;

三、控制系统硬件组成

BH-M100编程操作界面

BH-M100控制器

伺服系统

总线IO扩展模块

IO信号命名

四、系统操作流程(手把手教)

使用配置软件进行系统轴和IO配置,以下两种方式可打开配置软件:

1.最小化JTControlUI,双击桌面图标BH_TOOL,打开配置软件;

2.在JTControlUI中,点击“参数-配置软件”打开;

操作界面功能介绍

配置伺服和IO模块从站:

1.有控制器和伺服驱动等:

a.控制器2网口,依次连接伺服驱动-伺服驱动-IO模块;

b.点击“扫描从站”按钮;

c.扫描到的伺服驱动和IO模块会显示在左侧“EtherCat主站”下;

d.如果连接有问题或设备不支持,会报错“scan error”。

2.仅有控制器或虚拟电脑:

a.点击左侧栏“EtherCat主站”,右键-添加-选择;

b.添加两个“TSV-HL-R10008”伺服驱动,添加“EC-DX32”IO模块;

c.点击左侧栏中的“系统配置”,勾选“模拟运行”。

配置工具界面

3.依次点击左侧“轴_01”、“轴_02”进行轴配置:

a.在右侧“常用配置”中设置轴编程名(操作界面显示轴名)、所属通道、通道轴号,这里将编程名依次修改为轴X、轴Z,通道轴改为“X”、“Z”,其他保持默认;

配置伺服轴

b.在右侧“高级配置”中设置参数,此处保持默认设置即可,后续在JTControlUI中进行修改;

4.定义外部输入输出(未定义的输入输出无法在JTControlUI中监控使用):

a.点击“EC-DX32”中的数字输入,将X1.00、X1.01、X1.02、X1.03、X1.04、X1.05、X1.06、X1.07定义为急停、启动、暂停、复位、到料检测、车床夹紧、车床松开、加工完成;

b.点击“EC-DX32”中的数字输出,将Y1.00、Y1.01、Y1.02、Y1.03、Y1.04、Y1.05定义为顶料气缸、上料气缸、下料气缸、旋转气缸、下料夹紧、上料到位;

点击“系统配置-M定义”,添加寄存器信号M1.0(上料超时);

d.点击“系统配置-R定义”,添加软急停信号R200.3;

5.点击“切换用户”登录权限,当前权限选择“系统厂级别”,默认密码“111111”;

6.点击“系统PLC的IO配置”按钮,对系统IO进行配置;

a.信号名一列中选择对应的信号,当外部信号触发时,系统会进行相应操作;

b.如果外部IO信号为常闭状态(例如急停信号一般为常闭),那么相应电平取反要设置为1。

7.点击“设置到控制器中”,等待设置完成,系统提示“重启生效”

8.点击按钮“重启控制器程序”,重启控制器;

五、手动调试

系统配置完成后,重启控制器程序,进行手动调试;

1.参数设置

根据设备的不同,系统的参数需要进行修改,主要包括:

a.轴类型(参数设置完成需复位生效)

常用类型为1-移动轴、3-旋转轴、5-传送带轴:

移动轴:轴在一定范围内做直线往返运动;

旋转轴:轴做0-360度旋转运动;

传送带轴:和旋转轴类似,但最大坐标范围由参数ID10040“传送带周长”决定;

此处桁架机械手的轴X和轴Y符合移动轴设置;

b.编码器反馈齿轮比分子/分母(参数设

置完成需复位生效)

分子分母计算

c.外部脉冲当量分子分母(参数设置完成需复位生效)

外部脉冲当量分子分母必须与编码器反馈齿轮比分子分母保持完全一致,为4096:1875;

d.编码器位置偏移(参数设置完成需复位生效)

设置完齿轮比后,设备的机床坐标会发生变化,需要重设“编码器位置偏移”来校正零点。编码器位置偏移是设置电机编码器零点与机械手零点之间的偏移,确定机械手运动轴的机床零点。

一般而言选择机床上特殊参照位置设定为机床零点,方便后续机器拷贝程序时设定零点,同时在机床位置丢失重新校准后,程序使用的位置数据不需要较大修改即可使用。

编码器位置偏移计算方法:

当前机床坐标为x,当前编码器位置偏移为f;

实际的编码器偏移f’为:f’ = f + x;

例:在“监控-坐标监控-机械坐标”一列找到轴X当前机床坐标,为-35.230,将此处定为“工艺流程-2桁架取/放料”时X零点位置;当前编码器偏移为234.597,;则实际编码器偏移为234.597+(-35.230)=199.367

有一个简单的方式设置编码器位置偏移(设备需移动到机械零点位置):

将当前编码器位置偏移设置为0,复位生效;

在监控-坐标监控中查看当前机床坐标,将当前机床坐标重新写入编码器位置偏移参数中,复位生效,当前机床坐标重置为0;

e.正/负软极限位置(参数设置完成需复位生效)

在设置完“编码器位置偏移”和“齿轮比分子分母”后,设置机床的正负软极限位,防止机床超出运行范围发生撞机。

将机床移动到正向极限的位置,再负向运行5mm左右,记录当前机床坐标,作为正向极限位置;

将机床移动到负向极限的位置,再正向运行5mm左右,记录当前机床坐标,作为负向极限位置;

正/负软极限位置设置之后复位生效;

2.点动运行

点动运行用来测试轴运行情况、机械是否正常等,和参数设置同步进行,需要测试内容:

a.点动测试

切换到“手动-点动”界面,使用点动正负按钮控制器轴正负向运行,如果实际运行方向与点动正负向不符,将“编码器反馈齿轮比分子”数值取反,复位生效;

点动运行时,观察机械运行是否正常;如运行时有卡顿或报警可检查机械是否卡死或抱闸是否松开;电机如果有异响,可能是伺服参数不匹配,调整伺服增益参数(PA5、PA6、PA9);

点动测试

b.寸动测试

寸动主要是测试系统运行距离和实际运行距离是否匹配,测试步骤:

点击“手动-寸动”,切换到寸动操作界面;

速度设置为“低速”,步进值设置为100mm;

点击轴X正向/负向启动按钮,轴会正向/负向运行100mm,实际测量确定运行距离是否为100mm,如果不符合,需要检查“编码器齿轮比分子/分母”参数;

寸动测试

c.回零测试

通过回零确认零点是否设置正确。点击切换到“手动-回零”界面,点击“回零”按钮,进行回零操作,回零完成后,观察停留位置是否为机械零点位置;

如果窗口显示的坐标(工件坐标)不为零,可能是工件坐标系相对于机械坐标系有偏移,点击“监控-坐标监控”,可观察当前工件坐标和机床坐标是否一致。如需将两个坐标系保持一致,通过通道参数2120,2121;将轴当前机械坐标写入对应轴“工件坐标系设置”中即可,写入立即生效。

回零测试

回零参数

d.手动速度测试

点动和寸动下有高速、中速、低速三种速度可以切换,点击“高速”、“中速”、“低速”按钮即可切换,速度值可通过通道参数2100、2101、2102进行修改,修改后立刻生效;

回零时所有轴使用统一回零速度,通过通道参数2103进行修改,修改后立刻生效;

手动速度测试

3.寄存器监控

在寄存器监控界面,对寄存器进行监控及手动输出测试,在自动运行前,需保证所有输入输出信号能够正常操作。

a.IO监控

监控“IO输入X”的状态,依次验证所有的输入信号X是否正常;

b.IO输出

信号位OFF时,输出低电平,ON时输出高电平。点击“IO输出Y”中输出信号后的“切换”按钮,切换输出的高低电平,观察输出信号动作是否正确。

c.软急停测试

测试R200.3软急停是否正确,正常时软急停实际值显示为ON;点击“切换”按钮,系统会报警“A1.0:通道1急停”。

软急停测试

自动运行

通过操作软件新建、调试、编辑程序:

1.JTControlUI切换到文件界面,点击右侧-新建按钮,新建prog程序(M100控制器软重启和断电重启时会默认加载名称为prog的程序,该默认名称可通过通道参数2161进行修改);

新建工程文件

2.新建成功后,会自动切换到“程序”界面,进行编辑。点击右侧“运动指令”、“流程指令”、“IO指令”、“数据指令”打开指令列表,双击插入指令进行编辑;

编程界面

3.编辑程序

a.程序结构

程序在初始运行时做初始化处理,如运行到安全位置,复位数据和信号等;初始化完成后循环运行桁架上料、取放料、车床上下料等工艺流程,配合车床循环加工。

程序界面

行1-7,程序主体,主体程序为首行到第一个“程序结束”;

行1,调用子程序1,执行桁架初始化;

行2和行6,跳转标志和绝对跳转,实现程序主体的循环运行;

行3、4、5,调用子程序5、10、15,显示桁架上料和取放料、车床上下料工艺;

b.初始化处理

初始化时需要处理的内容包括:

取料和放料夹爪松开;

桁架先Z轴到达安全位置,在将X轴运行到取料位置;

旋转气缸复位;

Z轴达到放料位置;

气缸由于没有到位信号,需加入延时等待气缸动作完成;

程序界面

c.桁架上料

判断到料检测是否有信号,如果有则上料完成;

如果到料检测没有信号,使用顶料气缸顶料;

顶料动作后,如果一定时间内未收到到料检测信号,则认为上料失败,系统报警,程序停止;

注:M口输出指令会输出M信号,将该M信号与上料超时报警在PLC中关联,详细添加步骤在“PLC程序”章节中;

d.桁架取放料

Z轴到达放料位置,放料和取料夹爪松开,延时等待放料完成;

Z轴到达取料位置,取料夹爪取料,延时等待夹取完成;

Z轴上提到安全位置;

输出旋转气缸,调换放料和取料夹爪;

X轴到达上下料位置;

e.车床上下料

等待车床加工完成,Z轴下降,使用下料夹爪抓取;

抓取后等待车床将工件松开,X轴负向移动将工件从车床卡盘中取出,然后Z轴上升到安全位置;

旋转气缸复位,将上料夹爪旋转与Z轴重合;移动Z轴下降到上料高度,X轴正向移动将棒料放入车床卡盘;

等待接受到车床夹紧信号后,夹爪松开,Z轴上升到安全高度,X轴返回取放料位置;

f.变量

在编辑程序时,为了方便数据的修改,许多关键数据使用变量进行表示,在参数-变量界面进行变量名称和数值的修改。

4.完成编辑后,在程序界面点击“检查”按钮进行程序检查,如果使用未定义的变量、未定义的寄存器、程序结构问题等,会报错,且错误行高亮;

5.运行

a.切换到“自动”界面,进行自动运行操作;

b.选择“单步”模式,点击“启动”按钮,进行单步自动运行,每行指令运行完会暂停,通过“单步”模式可以观察程序逻辑、动作是否正确;

c.单步调试完成后,再切换为“连续”模式,进行循环加工;

d.点击“暂停”按钮,将程序暂停;

e.点击“复位”按钮,停止程序运行;

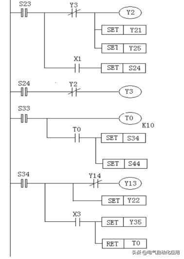
PLC程序

修改PLC程序,将系统配置中配置的M代码“上料超时”和系统报警进行关联,通过JTControlUI-监控-寄存器,查看上料超时功能码为M1.0;

在JTControlUI-信息-用户报警界面中可自定义用户报警,A11.0~A11.31共32个用户报警,选择任一将其定义为上料超时报警;

1.查看M代码寄存器

定义上料超时报警,将A11.0定义为“上料超时”,修改其报警级别及报警内容;

3.双击桌面图标BH_PLC,打开PLC编辑器(以下简称Plced):

4.下载程序;

a.点击“连接”按钮,连接成功会弹窗提示“connect ok!”;

连接成功后,点击“下载”按钮,下载当前PLC程序,提示“加载成功”;

5.修改PLC程序;

a.找到“END1”程序段,可在起始行与“END1”之间加入报警程序,响应较快;对响应要求不高的PLC可加在“END1”和“END2”之间;

b.点击“END1”所在行,右键,插入连接行和空行,使用右键菜单和标题栏中元件,添加程序段;

行7,当M1.0为ON时,输出A11.0报警;当M1.0为OFF时,关闭A11.0报警;

行8,R0.8的意思是“正在复位”,复位过程中清除M1.0信号;

C、添加完成后点击“保存”。

6.上传程序;

a.点击“上传”按钮,上传修改后的程序;

b.使用配置软件软重启控制器,plc程序修改生效;

7.实时监控:

a.点击“实时监控”按钮,监控“上料超时”报警;

b.在JTControlUI-监控-寄存器界面,找到上料超时M代码,点击“切换”按钮,将信号从OFF切换到ON,系统报警;PLC中A11.0显示为绿色导通状态;

C、点击复位按钮,“上料超时”报警清除,M1.0状态会从ON自动切换到OFF;

8.添加PLC程序

在PLC中增加系统模式运行状态程序段,方便组态屏显示。

a.增加系统运行模式程序

将自动、点动、寸动、回零、连续、单步状态和中间R寄存器关联,方便组态屏读取。

将自动状态F162.17与R2.4关联;

将点动状态F162.21与R2.8关联;

将寸动状态F162.23与R2.9关联;

将回零状态F162.19与R2.10关联;

将单步/连续状态F162.23与R2.2、R2.3关联;

b.增加系统运行状态程序

将运行状态F162.5和R2.0关联;

将暂停状态F162.4和R2.1关联;

MODBUS

M100常与组态屏搭配使用,因此M100内部有modbus模块,提供对内部数据的修改和监控,本项目配备的为威纶通组态屏,组态程序如下:

1.新建组态程序

a.打开威纶通组态屏编辑软件EBPro,点击“文件-新建”,选择对应组态屏型号,本项目配备的为MT8071iP,通讯方式为TCP/IP:

b.组态屏选择完成后,会自动进入“系统参数设置”界面,新增控制器设备。

点击“新增设备/服务器...”按钮,设置设备属性;

设备类型选择MODBUS TCP/IP,IP设置为192.168.1.17;

注:下载地址https://www.weinview.cn/download.aspx?nid=31&typeid=89)

2.组态屏编程

一般而言,组态屏界面要包含以下几部分内容:

自动运行,自动运行程序进行加工;

手动运行,对设备进行调试;

参数,设置系统参数,包括通道参数、轴参数等;

变量,加工程序使用的工艺数据,不同设备可以微调工艺参数进行适配;

IO监控,对输入输出等信号进行监控;

坐标监控,监控轴坐标和电机状态;

通过EBPro的“检视-窗口列表”进行窗口的新增与删除:

窗口通过“功能键”进行切换,点击“元件-功能键”,新建功能键按钮,勾选“切换基本窗口”,在“窗口编号”中选择要切换的界面。

3.自动运行

自动运行界面主要是对坐标的显示、程序的自动运行操作。

a.位状态设置按钮

b.位状态监控指示灯

c.数据显示

d.窗口切换

4.手动

5.参数管理

6.变量

7.IO监控

8.坐标监控

PLC学习我们是认真的,看完就知道如何设计一个完美的程序了

PLC在工业控制中的应用

1 PLC控制系统设计步骤

2 PLC在机床控制中的作用

3 PLC在化工生产过程中的应用

4 PLC在集选控制电梯中的应用

5 PLC随动控制系统中的应用

1 PLC控制系统设计步骤

(1)系统设计的主要内容

① 拟定控制系统设计的技术条件

② 选择电气传动形式和电动机、电磁阀等执行机构

③ 选定 PLC 的型号

④ 编制 PLC 的输入 / 输出分配表或绘制输入 / 输出端子接线图

⑤ 根据系统设计的要求编写软件规格说明书,然后再用相应的编程语言(常用梯形图)进行程序设计

⑥ 了解并遵循用户认知心理学,重视人机界面的设计,增强人与机器之间的友善关系

⑦ 设计操作台、电气柜及非标准电器元部件

⑧ 编写设计说明书和使用说明书

2、PLC 硬件系统设计

(1) PLC 型号的选择

① 对输入 / 输出点的选择

② 对存储容量的选择

③ 对 I/O 响应时间的选择

④ 根据输出负载的特点选型

⑤ 对在线和离线编程的选择

⑥ 据是否联网通信选型

⑦ 对 PLC 结构形式的选择

(2)分配输入 / 输出点

① 确定 I/O 通道范围

②确定内部辅助继电器

③ 分配定时器 / 计数器

3、PLC 软件系统设计方法及步骤

(1) PLC 软件系统设计的方法

① 图解法编程

a. 梯形图法

b. 逻辑流程图法

c. 时序流程图法

d. 步进顺控法

② 经验法编程

③ 计算机辅助设计编程

(2) PLC 软件系统设计的步骤

① 对系统任务分块

② 编制控制系统的逻辑关系图

③ 绘制各种电路图

④ 编制 PLC 程序并进行模拟调试

⑤ 制作控制台与控制柜

⑥ 现场调试

⑦ 编写技术文件并现场试运行

注意事项

控制单元输入端子接线

1 输入线尽可能远离高压线和动力线等干扰源

2 不能将输入设备连接到带“ . ”端子上

3 交流型 PLC 的内藏式直流电源输出可用于输入;直流型 PLC 的直流电源输出功率不够时,可使用外接电源

4 切勿将外接电源加到交流型 PLC 的内藏式直流电源的输出端子上

5 切勿将用于输入的电源并联在一起,更不可将这些电源并联到其他电源上

控制单元输出端子接线

1 输出线尽可能远离高压线和动力线等干扰源

2 不能将输出设备连接到带“ . ”端子上

3 各“ COM ”端均为独立的,故各输出端既可独立输出,又可采用公共并接输出。当各负载使用不同电压时,采用独立输出方式;而各个负载使用相同电压时,可采用公共输出方式.

4 当多个负载连到同一电源上时,应使用型号为 AFP1803 的短路片将它们的“ COM ”端短接起来

5 若输出端接感性负载时,需根据负载的不同情况接入相应的保护电路。在交流感性负载两端并接 RC 串联电路;在直流感性负载两端并接二极管保护电路;在带低电流负载的输出端并接一个泄放电阻以避免漏电流的干扰。以上保护器件应安装在距离负载 50cm 以内.

6 在 PLC 内部输出电路中没有保险丝,为防止因负载短路而造成输出短路,应在外部输出电路中安装熔断器或设计紧急停车电路;

实例; PLC在机床控制中的作用

工艺要求;四工位组合机床由四个工作滑台,各带一个加工动力头,组成四个加工工位。除了四个加工工位外,还有夹具、上下料机械手和进料器四个辅助装置以及冷却和液压系统共四部分。工艺要求为有上料机械手自动上料,机床的四个加工动力刀头同时对一个零件进行加工,一次完成一个零件,通过下料机械手自动取走加工完的零件。要求具有全自动、半自动、手动三种工作方式。

下图是组合机床控制系统全自动工作循环和半自动工作循环式的状态流程图。图中S2是初始状态,驱动它的条件是各滑台、各辅助装置都处在原位,夹具为松开状态,料道有待加工零件且润滑系统工作正常。

组合机床自动工作状态流程图

组合机床全自动和半自动工作过程;

1 上料;按下启动按钮,上料机械手前进,将零件送到夹具上,夹具加紧零件。同时进料装置进料,之后上料机械手退回原位,放料装置退回原位

2 加工;四个工作滑台前进,四个加工动力头同时加工,洗端面、打中心孔。加工完成后,各工作滑台退回原位

3 下料;下料机械手向前抓住零件,夹具松开,下料机械手退回原位并取走加工完的零件。

这样就完成了一个工作循环。如果选择了预停,则每个循环完成后,机床自动停在原位,实现半自动工作方式;如果不选择预停,则机床自动开始下一个工作循环,实现全自动工作方式。

PLC的选型;

四个工位组合机床电气控制系统有输入信号42个,输出信号27个,均为开关量。其中外部输入元件包括:17个检测元件、24个按钮开关、1个选择开关;外部输出元件包括:16个电磁阀、6个接触器、5个指示灯。

根据I/O信号的数量、类型以及控制要求,同时考虑到维护、改造和经济等诸多因素,决定选用FX2N -64MR主机和一个输出扩展单元FX-16EX,这样共有48个输入点,输出点就是主机的32点,满足控制要求。

I/O地址编号;将输入信号42个,输出信号27个按各自的功能类型分好,并与PLC的I/O端一一对应,编排好地址。列出外部I/O信号与PLCI/O端地址对照表,如表所示。

PLC梯形图程序

四工位组合机床的PLC控制系统梯形图包括初始化程序、手动调整程序和自动工作程序。图2是四工位组合机床在全自动与半自动工作方式时的梯形图程序,它采用了STL步进指令编写,程序简捷、清楚。图3四工位组合机床初始化程序梯形图。

相关问答

锯床下料的计算公式?

你好,锯床下料的计算公式为:下料长度=总长度-(切割次数x切缝宽度)其中,总长度是指原材料的长度,切割次数是指需要将原材料切成多少段,切缝宽度是...

天顺数控门窗下料锯使用方法?

天顺数控门窗下料锯是一种高精度、高效率的自动化设备,用于切割各种类型的门窗和家具。以下是天顺数控门窗下料锯的使用方法:1.安装和设置:在使用天顺数控门...

步梯的下料方法?

2需要根据具体情况而定,通常会考虑到以下几个因素:步梯的形状、尺寸和材料的特性。根据这些因素,可以选择合适的下料方式,如使用锯床、切割机等工具进行切割...

偏心锥行怎么下料?

1.偏心锥行下料的方法有多种。2.首先,偏心锥行下料需要根据具体的设计要求和工艺要求进行计算和确定。根据偏心锥行的形状和尺寸,可以使用数控机床进行下料...

数控下料机被远程锁了怎么搞?

2.如果以上方法未生效,将Siemens840D系统CNC用标准机床数据引导NC并重新启动,此时可以清除未知密码。3.或者全部清除NC和PLC数据、参数,将系统恢复到初始状...

锯床四方下料速度?

锯床四方下料的速度会因锯床型号、功率、操作方式等因素而异。一般来说,较大型的锯床可以更快地进行下料,而操作方式也会对速度产生影响。如果需要更具体的速...

980数控机床下料循环用什么代码?

对于“980数控机床”下料循环,可以使用G71或G72指令来控制下料。具体的代码如下:1.使用G71指令:G00X0Y0Z0;快速定位到初始位置G71U1S1000;设定下....

锯床下料不垂直是怎么回事?怎么调整?

挖心啊1.先把进刀量调慢点2.看一下夹锯条的合金块是否间隙太大太大了锯条会跑偏3.导向臂离工件不要太远2-3cm较合适4.锯条太松也不行5.锯条钝了也会挖心...

100圆钢怎么算下料?

如果指的是带锯床切割的话,那个半径*半径*3.14*锯缝*钢材理论密度(通常为0.00000785-793)比如直径100的圆钢:50*50*3.14*0.00000785*5MM缝隙=0.308就是...

激光下料好还是锯床下料好呢?

激光下料和锯床下料都是常见的切割工艺,但它们各有优缺点,选择哪种更适合你的需求,需要考虑多种因素。激光下料和锯床下料的比较精度和公差激光下料:激光切割...