线下实训
HOME
线下实训
正文内容
台达plc编程 stl编程实例 PLC顺序控制梯形图的编程方式
发布时间 : 2026-01-24
作者 : 小编
访问数量 : 23
扫码分享至微信

PLC顺序控制梯形图的编程方式

顺序控制梯形图的编程方式是指根据系统的顺序功能图设计梯形图的方法

本章主要介绍使用STL指令和起保停电路的编程方式,以转换为中心的编程方式和仿STL指令的编程方式

绘制顺序功能图时的注意事项

1)步与步之间不能直接相连,必须用一个转换条件将它们隔开;

2)转换条件与转换条件之间也不能直接相连,必须用一个步将它们隔开;

3)顺序功能图中的初始步一般对应于系统等待起动的初始状态,这一步可能没有输出,只是做好预备状态;

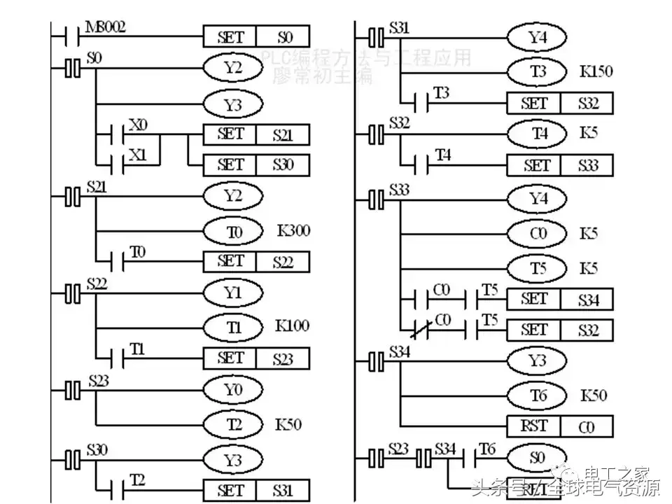
6.1使用STL指令的编程方式

6.1.1单序列的编程方式

STL指令:步进梯形指令

RET:使STL复位的指令,使LD点返回左侧母线

状态S的使用:

S0-S9用于初始步

S10-S19用于返回原点

S20-S499通用状态

S500-S899有断电保持功能

S900-S999用于报警

注意:用S编制顺序控制程序时,应与步进指令一起使用。使用STL指令

的状态的常开触点称为STL触点,它在梯形图中的符号如下图所示

3PLC只执行活动步对应的电路块,不同的STL触点可以分别驱动同一编程

元件的1个线圈。但是同一元件的线圈不能在可能同时为活动步的STL区内

出现,在有并行序列 的顺序功能图中,应特别注意

4STL触点驱动的电路中不能使用MC和MCR指令

5在中断程序与子程序内,不能使用STL指令

6状态器S编号不能重复使用

7STL触点断开时,与其相连的回路不动作,一个扫描周期后不再执行STL

指令

8 定时器线圈与输出线圈一样,也可在不同的状态时间对同一定时器软件编程,但是,在相邻状态下对同一定时器编程时,则状态转移时定时器线圈不断开,当前值不能复位,因此需要注意在相邻状态不要对同一定时器编程

补充:状态转移图

一个控制过程可以分为若干个阶段,这些阶段称为状态。状态与状态之间由转换条件分隔,相邻的状态具有不同的动作,当相邻两状态之间的转换条件得到满足时,相邻状态就实现转换,即上面的动作结束下面的动作开始,描述这一状态转换过程的图就称为状态转移图

状态器软器件S是构成状态转移图的基本元素,共有1000点

步进梯形图指令的特点

步进梯形指令仅对状态器S有效,但是对于用作一般辅助继电器的状态器S,则不能采用STL指令,而只能采用基本指令。在STL指令后,只能采用SET和RST指令作为状态器S的置位或复位输出。STL与LD指令比较

转移源自自动复位:采用STL指令,当状态器S接通时,顺序控制转移状态器S的相继状态,同时,转移源状态器S自动复位

允许双重输出:由于STL指令具有转移源自动复位功能,因此STL指令允许双重甚至多重输出,

主控功能:使用STL指令,取指令LD移到右边,使用RET指令后,取指令返回到原来的母线上。

6.3.6各种编程方式的比较

1 编程方式的通用性

2 不同编程方式设计的程序长度比较

3 电路结构及其他方面的比较

STL指令的优点

三菱 台达 汇川 PLC 系列的指令系统丰富多样

三菱 台达 汇川 PLC 系列的指令系统丰富多样,包含了基本指令、步进梯形图指令、程序流程指令、传送与比较指令、四则运算指令等。以下是一些常见指令的简要介绍:

- 基本指令:

- LD:常开触点能流装载;

- LDI:常闭触点能流装载;

- OUT:线圈驱动指令;

- AND:常开触点能流与;

- ANI:常闭触点能流与;

- OR:常开触点能流或;

- ORI:常闭触点能流或;

- LDP:上升沿检出运算开始;

- LDF:下降沿检出运算开始;

- ANDP:上升沿检出串联连接;

- ANDF:下降沿检出串联连接;

- ORP:上升沿检出并联连接;

- ORF:下降沿检出并联连接;

- ORB:串联回路块的并联连接;

- ANB:并联回路块的串联连接;

- MPS:运算存储;

- MRD:存储读出;

- MPP:存储读出与复位;

- MC:主控;

- MCR:主控清除;

- INV:运算结果取反;

- PLS:上升沿检出指令;

- PLF:下降沿检出指令;

- SET:线圈置位;

- RST:线圈复位。

- 步进梯形图指令:

- STL:步进梯形图开始;

- RET:步进梯形图结束。

- 程序流程指令:

- CJ:条件跳转;

- CJP:条件跳转(脉冲型);

- CJEND:跳转至程序末尾;

- CJPEND:跳转至程序末尾(脉冲型);

- CALL:子程序调用;

- CALLP:子程序调用(脉冲型);

- EI:中断许可;

- DI:中断禁止;

- WDT:监视定时器;

- WDTP:监视定时器(脉冲型);

- FOR:循环范围开始;

- NEXT:循环范围结束。

- 传送与比较指令:

- CMP:16 位比较指令;

- CMPP:16 位比较指令(脉冲型);

- DCMP:32 位比较指令;

- DCMPP:32 位比较指令(脉冲型);

- ZCP:16 位区间比较;

- ZCPP:16 位区间比较(脉冲型);

- DZCP:32 位区间比较;

- DZCPP:32 位区间比较(脉冲型);

- MOV:16 位传送指令;

- MOVP:16 位传送指令(脉冲型);

- DMOV:32 位传送指令;

- DMOVP:32 位传送指令(脉冲型);

- SMOV:移位传送;

- SMOVP:移位传送(脉冲型);

- CML:16 位取反传送;

- CMLP:16 位取反传送(脉冲型);

- DCML:32 位取反传送;

- DCMLP:32 位取反传送(脉冲型);

- BMOV:成批传送;

- BMOVP:成批传送(脉冲型);

- FMOV:多点传送 16 位指令;

- FMOVP:多点传送 16 位指令(脉冲型);

- DFMOV:多点传送 32 位指令;

- DFMOVP:多点传送 32 位指令(脉冲型);

- XCH:交换 16 位指令;

- XCHP:交换 16 位指令(脉冲型);

- DXCH:交换 32 位指令;

- DXCHP:交换 32 位指令(脉冲型);

- BCD:BCD 交换 16 位指令;

- BCDP:BCD 交换 16 位指令(脉冲型);

- DBCD:BCD 交换 32 位指令;

- DBCDP:BCD 交换 32 位指令(脉冲型);

- BIN:BIN 交换 16 位指令;

- BINP:BIN 交换 16 位指令(脉冲型);

- DBIN:BIN 交换 32 位指令;

- DBINP:BIN 交换 32 位指令(脉冲型)。

- 四则运算指令:

- ADD:16 位整数加法;

- ADDP:16 位整数加法(脉冲型);

- DADD:32 位整数加法;

- DADDP:32 位整数加法(脉冲型);

- SUB:16 位整数减法;

- SUBP:16 位整数减法(脉冲型);

- DSUB:32 位整数减法;

- DSUBP:32 位整数减法(脉冲型);

- MUL:16 位整数乘法;

- MULP:16 位整数乘法(脉冲型);

- DMUL:32 位整数乘法;

- DMULP:32 位整数乘法(脉冲型);

- DIV:16 位整数除法;

- DIVP:16 位整数除法(脉冲型);

- DDIV:32 位整数除法。

#软启动,# #plc控制开个#

相关问答

台达Plc数组怎么用?

台达PLC的数据寄存器使用比较简单,没有数据类型的转换,整数浮点数都可以直接用D寄存器,比如LDM0.0LTMRT0D0TY0MOVK50D具体台达PLC的STL指令我忘了.....

PLC步进指令的暂停按钮?

ldx1outm0stl每个S中加入ldim0原来的代码这样即可实现暂停:当按下X1时m0通,则步进中的指令不执行,但处于该步进号中,再按下X1则m0断开,继续执行步...

 农业合作社贷款  2012年伦敦残奥会 
王经理: 180-0000-0000(微信同号)
10086@qq.com
北京海淀区西三旗街道国际大厦08A座
©2026  上海羊羽卓进出口贸易有限公司  版权所有.All Rights Reserved.  |  程序由Z-BlogPHP强力驱动
网站首页
电话咨询
微信号

QQ

在线咨询真诚为您提供专业解答服务

热线

188-0000-0000
专属服务热线

微信

二维码扫一扫微信交流
顶部