课程中心
HOME
课程中心
正文内容
PLC顺序编程对复杂的编程 PLC顺序控制,行业大牛的图文案例讲述
发布时间 : 2026-03-06
作者 : 小编
访问数量 : 23
扫码分享至微信

PLC顺序控制,行业大牛的图文案例讲述

什么是顺序控制,顾名思义,就是按照一定的顺序,执行相应的动作。

普通的动作,我们只需要根据一定的逻辑,去编写程序,想到什么,就写什么,写法非常灵活。但是,假设一套设备,动作非常多,非常复杂,用普通对的编程逻辑去写的话,会非常麻烦,这个时候就需要使用到顺序控制。

顺序控制的优点有以下几点,一是可以更清晰、简洁地去分布程序的动作,方便编程;二是监控程序的时候能够清晰的知道程序运行到哪一步了,出问题了能很快找到问题点,方便维护。

每个类型的plc都会有对应的顺序控制的编程方法。三菱plc专门用来做顺序控制的是使用SFC程序;当然,这只是顺序控制的其中一种方法,还可以使用数据寄存器D来保存程序的动作;也可以通过中间继电器M作为标志位,记录程序的动作。

今天,我们重点讲解用数据寄存器D保存程序动作的方法,下面看具体案例:

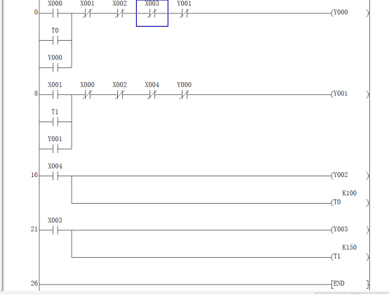
如下图,有两台电机M1、M2,分别能够控制A、B两个平台进行左移右移动作,每个平台都有左右限位,具体I/O分布如表所示

要求动作如下表所示

拿到这样一道题目,不是马上就开始写程序,要做的第一步是把状态转移图画出来,如下图:

上图中的红色文字指的是步号,第一步是A右行,第二步是B左行,我们可以用一个数据寄存器D0对其动作进行记录,用MOV指令进行给定。比如按下X4按钮时,用mov指令给寄存器D0传送一个K1的数值,表示进入了第一步,这些。用等于指令,当D0等于1时,输出Y1的动作,让A平台右行。

下面我们来看下具体程序的编写(程序里面还使用了暂停功能,使用X5输出控制M8034,这样Y点就暂停输出了,设备就停止动作,但是,动作的记录寄存器D0并没有复位,只要再次按下启动按钮X4,接触M8034的自锁,设备就能按照原本的动作执行动作。程序也有停止功能,按下X6时,所有输出的Y点都停止,同时复位D0寄存器,这样设备就只能重新开始动作)

(以上内容为均为技成原创,作者:陈育鑫,未经授权不得转载,违者必究!)

往期优秀文章回顾:

新手学西门子PLC,要从哪开始?「附PLC与电动机控制精品讲解」

通过实例看看三菱PLC的编程方式之经验设计法及顺序控制设计法

通过实例看看三菱PLC的编程方式之经验设计法

经验设计法用设计继电器电路的方法来设计比较简单的开关量控制系统,即在一些典型电路的基础上,根据被控对象对控制系统的具体要求,不断的修改和完善梯形图。只能用于简单的控制电路的设计。

举例来看下:

功能要求:送料小车在左限位处装料,10s后装料结束,开始右行,在碰到右极限或停下来卸料,15s后开始左行。碰到左限位后停下来装料,循环工作,知道按下停止按钮。

这是一个最简单的顺序控制电路。根据功能要求逐项进行编写,编写程序如下:

根据继电器电路图进行程序设计:根据继电器控制回路来转化成梯形图的设计方法。一般用于改造以前的继电器回路。其实也很少用了,但这是最基础的。

三相异步电动机正反转控制电路

PLC接线图

程序:

时序控制设计法:

时序控制电路一般只有一个启动命令信号,在启动命令的上升沿之后,各输出量的ON/OFF状态根据预定的时间自动地发生变化,最后回到初始状态:

看看如下的程序:

无论是经验设计法还是继电器电路转换法,都存在没有普遍的规律可以遵循,具有很大的试探性和随意性,最后的编程结果不是唯一的,对于简单的控制电路可以用,但是对于复杂的控制电路显然是不适合的,因此,顺序控制设计法和顺序功能图的使用是比较通用的一种方法。

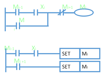
顺序控制设计法和顺序功能图

一、顺序功能图

顺序功能图就是描述控制系统的控制过程、功能和特性的一种图形。也是PLC的顺序控制程序的有力工具,顺序功能图画对了基本上程序也就出来了。

在画好顺序功能图后怎么编程呢?

先来看看用置位和复位指令来实现的梯形图实现方法:

举个例子:信号灯控制系统举例

STL指令:步进指令简称STL指令。RET复位指令

STL指令的特点:

1. 与STL触点相连的触点应使用LD/LDI指令。

2. STL触点可以直接驱动或通过别的触点驱动 Y、M、S、T等元件的线圈,STL触点也可以使Y、M、S等元件置位或复位。

3. CPU只执行活动步对应的程序。

4. 使用STL指令时允许双线圈输出。

5. STL指令只能用于状态寄存器,在没有并行序列时,一个状态寄存器的STL触点在梯形图中只能出现一次。

6. 在STL触点驱动的电路块中不能使用MC和MCR指令,可以使用CJP/EJP指令,当执行CJP指令跳入某一个STL 触点的电路块时,不管该STL触点是否接通,均执行对应的 EJP指令之后的电路.

7. 可以对状态寄存器使用LD 、 LDI 、AND、 ANI、 OR 、ORI、 S 、R 、 OUT等指令。

8. 对状态寄存器置位的指令,如果不在STL触点驱动的电路块内置位时,系统程序不会自动将前级步对应的状态寄存器复位。

是不是对怎么写顺序控制程序有所了解。后面我还介绍下复杂工序的编程。希望持续关注

相关问答

plc编程必背十大程序西门子?

梯形图语言(LD)、指令表语言(IL)、功能模块图语言(FBD)、顺序功能流程图语言(SFC)及结构化文本语言(ST)。不同型号的PLC编程软件对以上五种编程语言的...梯...

plc程序化简的口诀是?

在PLC(可编程逻辑控制器)编程中,有一个常用的简化程序的原则,可以用以下的"口诀"来概括:KISS原则:保持简单,愚蠢可行(KeepItSimple,Stupid)这个...

plc有两种编程方式分别为?

1、经验法即是运用自己的或别人的经验进行设计,设计前选择与设计要求相类似的成功的例子,并进行修改,增删部分功能或运用其中部分程序,直至适合自己的情况。...

plc单独编程到调试过程详情?

熟悉控住对象、PLC选型及确定硬件配置、设计PLC的外部接线。设计控制程序、程序调试和编制技术文件。1了解控制对象,确定控制要求这一步是系统设计的基础。...

共同探讨下使用三菱PlC的SFC顺序功能图的编程心得?

梯形图比较简单,直观,但是对于初学者来说调试的时候比较麻烦;用STL编程的话思路比较清晰,好调试。。用SFC的话比较理解力需要强一些,但是用的人比较少,注...

PLC学习的顺序?-盖德问答-化工人互助问答社区

只要顺控编程基本思路,plc不难掌握,何况你是学计算机的。plc学习不仅要学编程,更重要的是学处理过程的思路方法,同样处理一个过程有人编4句实现了,...

plc顺序功能图有什么用?

PLC(可编程逻辑控制器)顺序功能图通过图形化编程和连接符号,清晰地展示了系统中不同元件之间的逻辑关系和工作顺序。它用于描述和分析系统的运行逻辑,帮助工...

plc常见的语言编程方法?

PLC的编程方法大体上有5种:经验法、解析法、图解法、技巧法及计算机辅助设计法。(1)经验法:运用已掌握的成功设计经验,结合实际的情况,选择与实际情...

三菱plc扩展模块扩展顺序?

在三菱PLC中,扩展模块的扩展顺序是由其在PLC背板上的位置决定的。通常,扩展模块按照从左到右的顺序依次扩展。以下是一般的扩展顺序示例:1.首先,安装CPU模...

PLC主要的编程语言有哪几种–京东商城?

PLC主要的编程语言主要有五种,包括指令列表(IL)、梯形图(LD)、功能块图(FBD)、结构化文本(ST)和连续函数图(SFC)。其中指令列表是一种基于指令的编程...PLC...

 董翳  羽毛球高欢 
王经理: 180-0000-0000(微信同号)
10086@qq.com
北京海淀区西三旗街道国际大厦08A座
©2026  上海羊羽卓进出口贸易有限公司  版权所有.All Rights Reserved.  |  程序由Z-BlogPHP强力驱动
网站首页
电话咨询
微信号

QQ

在线咨询真诚为您提供专业解答服务

热线

188-0000-0000
专属服务热线

微信

二维码扫一扫微信交流
顶部